Appendix A: Components

Contents

Appendix A: Components#

Resistors#

There are several ways to indicate the values of resistors. On most of the precision resistors, the value and tolerance is indicated directly on the resistor. Another method shows the resistor value by means of three digits. The first two digits are the first two digits of the resistance value, while the third number represents the power of ten by which the first two digits are to be multiplied. For example, the value \(474\) is \(47 \cdot 10^{4} \, \Omega\), or \(470 \, {\rm k}\Omega\).
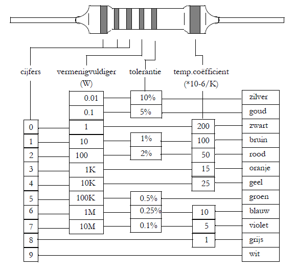
On most of the resistors, the value and tolerance is represented with the aid of a color code (see Fig. 146). This code contains the first two or three significant digits of the resistance value (in Ohms) followed by a multiplication factor, the tolerance and possibly a temperature coefficient. Whether there are two or three significant color rings visible depends on the tolerance. A tolerance of 2% or higher means two rings, a tolerance of 1% or lower means three rings.

_images/ColorCode.png

Fig. 146 Color code for resistors#

Capacitor#

For capacitors sometimes the same color code as resistors is used. The unit is \(F\) (Farad) instead of \(\Omega\) (Ohm). The color rings are not separated, so two successive rings of the same color can form a wide band. For the tolerance a different color code is used. The last ring is often an indication of the maximum voltage. If the dimension of the capacitor is large enough, the relevant information is usually printed on the capacitor. Since the uniformity in both color-coded as in printed information is not big for different manufacturers, it is recommended that the capacitance value, in case of uncertainty, is determined with a capacity meter. There are different kinds of capacitors. Some types are for example:

  • ceramic (0.1 pF - 100 nF)

  • polyester (10 nF - 10\(\mu\)F)

  • electrolytic (0.1 \(\mu\)F - 100 mF)

Electrolytic capacitors have a polarity. A DC voltage can only be applied in one direction. Here the +pole part is isolated from the -pole part of the capacitors housing.